E-mail:
Пароль:

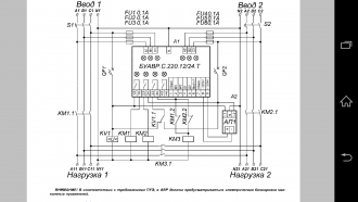
Сборка ВРУ с секционником.

Эксперт клуба
Электро-Владивосток
(868.00)
Уважаемые коллеги Подскажите можно ли собрать данную схему ВРУ, с помощью одного данного БУАВР?
0
28 сентября 2015, 16:51

Коллега, может быть, вообще приехать и всё смонтировать-запустить за вас на месте? Чтобы, так сказать, не посрамить честь форума..
А ваша работа будет заключаться только в том, чтоб деньги от заказчика принять и в свой кошелёк положить?

Здесь, между прочим, все или почти все - гости, такие же, как и вы; и ни перед форумом, ни перед вами лично никаких таких особенных материальных обязательств не имеют.
Вроде как, очевидные вещи...

0
28 сентября 2015, 17:51

ПрохожийКоллега, может быть, вообще приехать и всё смонтировать-запустить за вас на месте? Чтобы, так сказать, не посрамить честь форума..
А ваша работа будет заключаться только в том, чтоб деньги от заказчика принять и в свой кошелёк положить?

Здесь, между прочим, все или почти все - гости, такие же, как и вы; и ни перед форумом, ни перед вами лично никаких таких особенных материальных обязательств не имеют.
Вроде как, очевидные вещи...

Причём тут это всё? Я же объяснил, что Я никого не заставляю и не могу этого тут делать в принципе. Просто тут доказывают что: здесь на форуме Вам только намекнут. Но я говорю что это вить не так. Потом говорят что полный ответ дан, хотя этого не заметно.
Сами подумайте зачем писать что работа (схема) денег стоит, а потом что рассказано по этому вопросу более чем достаточно и полный ответ получен.
Ввиду выше 👆 изложенного ,у меня теперь возникает вопрос , за-что мне платить деньги если тут говорят что Полный Ответ Дан И Сказано Более Чем Достаточно ?
За-что деньги хотят взять если по Вашему всё тут уже рассказано?
Нет желания просто конкретно помочь ,ну и ладно Я и так скажу Большое Спасибо за указанное направление в котором нужно двигаться. Зачем болтать того что не зделано непонятно?

0
30 сентября 2015, 04:47

вот сердито и дешево - делаете авр на одном (уже купленном) буавре по стандартной схеме - от двух вводов с подстанции, а с генератора ставите перекидной рубильник - вручную, никаких реле и платить проектировщикам не нужно :)

0
30 сентября 2015, 08:04

megavolt5144вот сердито и дешево - делаете авр на одном (уже купленном) буавре по стандартной схеме - от двух вводов с подстанции, а с генератора ставите перекидной рубильник - вручную, никаких реле и платить проектировщикам не нужно :)


Б-дь, он же не себе домой делает. Дешево и сердито... Рубильник... Ему АВР нужен. Где А - автоматический. Выкинуть ему надо БУАВР, печально, что он этого почему-то не хочет понять.

0
01 октября 2015, 06:19

Геополис
megavolt5144вот сердито и дешево - делаете авр на одном (уже купленном) буавре по стандартной схеме - от двух вводов с подстанции, а с генератора ставите перекидной рубильник - вручную, никаких реле и платить проектировщикам не нужно :)


Б-дь, он же не себе домой делает. Дешево и сердито... Рубильник... Ему АВР нужен. Где А - автоматический. Выкинуть ему надо БУАВР, печально, что он этого почему-то не хочет понять.


Вот схему нарисовал с Одним БУАВР. ХОТЯБЫ ПРОКОММЕНТИРУЙТЕ ПОЖАЛУЙСТА!

0
01 октября 2015, 18:18

Допконтактов к контакторам насчитал 4 НЗ и 2 НО, где вы такие допики найдете? Тем более по схеме есть возможность сократить их число.
Зачем нужны реле времени КТ1 и КТ2? У них независимое питание?
Не нарисовано питание самого БУАВР.

0
02 октября 2015, 06:01

1. к буавру одно из напряжений нужно от генератора, а не от второго ввода, схему запуска как в типовом
2. по другому напряжению на буавр организовать релюхами (обмануть) так - когда оба ввода фурычат (от подстанции) есть напряжение, когда один из вводов не фурычат есть напряжение, когда на обоих не фурычит (сгорел транс на ПС :) ) - нет напряжения.
3. организовать авр между вводами не на буавре - релюхами
О том как проще, и какой гемор Вас ждет, молчу.

0
02 октября 2015, 06:07

Исчо вар: АВР по вводам вообще отдельный и не у вас, приходит надежное питание после АВР вводов, тогда юзаете буавр как ввод+гена

0
02 октября 2015, 06:11

схему лучше выкладывайте с описанием закладываемой логики, уважайте чужое время

0
02 октября 2015, 10:22

megavolt5144Исчо вар: АВР по вводам вообще отдельный и не у вас, приходит надежное питание после АВР вводов, тогда юзаете буавр как ввод+гена


Это от недосыпа или слова во что-то логичное не выстраиваются? пробовал менять местами - не помогает.

0
02 октября 2015, 22:04

Геополис слова во что-то логичное не выстраиваются
согласен, занесло немного...

Если Вы хотите оставить сообщение, Вам необходимо зарегистрироваться.
E-mail:
Пароль:
Забыли пароль? Запомнить