|
|
Вопрос по подключению к нейтрали
 Мастер-электрик Sayr (31.00) |
Здравствуйте, на объекте стоит ДГУ с АВР от сетей приходит совмещенный PEN (в помещении с ДГУ система заземления ТN-C-S). Нужно подключить жалюзи. Алгоритм работы простой – пока работает генератор, жалюзи открыты, как только генератор выключился жалюзи закрываются. На жалюзи стоят концевые ограничивающие выключатели.
Проблема заключается в том, что АВР переключает не только фазы, но и нейтраль. То есть в системе получаются три (N): (N) от генератора, (PEN) от сетей, заземленный на КТП и ближайшем до ДГУ столбе и проводник PEN от потребителей, заземленный на ближайшем столбе в сторону потребителей. Есть два способа. 1-й способ - управлять только фазами, а шину N заземлить. 2 –й способ – переключать как фазы так и нейтрали. Какой из этих способов корректный?
|
|
Так если жалюзи только при работе ДГА так и бери N, ДГА ну и фазу от его. Поставь через ДИФ и все.
выскажу свое мнение- вариант №2, рвать его, рвать. ну и конечно заземлить
а ты найди однофазном генераторе N.
Нуль рвать нужно обязательно, хотя многие так не делают.и надо отдельно заземлить ДГУ.
а ты найди однофазном генераторе N.
если генератор выдает 220 то это однозначно фаза-ноль, ну или как вариант две фазы по 127 вольт но использовать все равно можно
Жалюзи (а точнее воздушные клапаны) открываются от ДГУ, а закрываются при подаче фазы от сетей (ЭС). У них три контакта - "открытие", "нейтраль", "закрытие". Так же стоят концевики на граничных положениях, которые разрывают цепь когда жалюзи полностью открыты или закрыты. В норме на контакте "закрытие" всегда фаза от сетей. При запуске генератора появляется фаза на контакте "открытие", а с контакта "закрытие" исчезает.
Жалюзи открываются от ДГУ, а закрываются от сетей (ЭС). АВР разрывает N проводник от ДГУ при переключении нагрузки от сетей.
Ну тогда поставь в цепь промежуточное реле на тройниках питание его от дга.Встало под ток замкнуло одну группу контактов жалюзи открылись. Обесточилось ушло обратно на питание от сети. Соответственно кроме фазы N тоже завести через реле
Жалюзи открываются от ДГУ, а закрываются от сетей (ЭС). АВР разрывает N проводник от ДГУ при переключении нагрузки от сетей.
Ну тогда поставь в цепь промежуточное реле на тройниках питание его от дга.Встало под ток замкнуло одну группу контактов жалюзи открылись. Обесточилось ушло обратно на питание от сети. Соответственно кроме фазы N тоже завести через реле
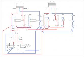
У меня вопрос- корректно ли землить нейтральный проводник от жалюзи (рисунок 2) ? Чем это черевато?
а ты найди однофазном генераторе N.
Так генератор трехфазный
АВР рвет нуль. Если берем нуль от генератора - жалюзи открываются, но не закрываются и наоборот, если берем нуль от сетей.
У меня вопрос- корректно ли землить нейтральный проводник от жалюзи (рисунок 2) ? Чем это черевато?
Тем что это у тебя рабочий ноль, а не защитный. Можешь конечно посадить но это как минимум приведет к "глюку" УЗО или ДИФа долго потом будешь искать причину срабатывания. А как плачевный вариант при обрыве "земли" у тебя та часть "железа"к которому посадишь ноль будет под напругой.
А можно про жалюзи поподробнее?
ПУЭ-7. 1.7.158. При питании стационарных электроприемников от автономных передвижных источников питания режим нейтрали источника питания и меры защиты должны соответствовать режиму нейтрали и мерам защиты, принятым для стационарных электроприемников.
У них и так соответствует.
"0" соединить. Фазу "рвать".
По описанию, фаза либо от АВР, либо от сети. (Картинка плохо видна на планшете...)
По описанию, фаза либо от АВР, либо от сети. (Картинка плохо видна на планшете...)
Чего-то у вас совсем ничего на планшете не видно... АВР 4х полюсный. Ноль рвется. Все верно.
Ноль не должен рваться. Переключаются только фазы.
По описанию, фаза либо от АВР, либо от сети. (Картинка плохо видна на планшете...)
Не стоит N жалюзи соединять наглухо. Иначе с учетом что N от сети и от ДГА рвется тогда обратка может пойти через это соединение , а если учесть что там скорей всего 1.5 квадрата жила то будет все очень плохо.
Ну в данном случае решили рвать
Может я не прав. Но на SW 1-1 не должен ли быть один контакт замкнутый, так как при сработке фаза у вас пойдет и на открытие с ДГУ и на закрытие с сетей.
Для чего ставить УЗО или ДИФ на жалюзи. Заземлить его и использовать по первой схеме. Мое мнение такое.
ПУЭ-7. 1.7.158. При питании стационарных электроприемников от автономных передвижных источников питания режим нейтрали источника питания и меры защиты должны соответствовать режиму нейтрали и мерам защиты, принятым для стационарных электроприемников.